Дисковый поворотный затвор с редуктором REON тип RSV83RED

7341,00
руб. с НДС

Тип: RSV83RED

DN: 40-800

PN: 16

Т раб.: от -20ºС до +115ºС

Т макс.: +130°С (кратковременно)

Описание
Документация

Описание

Описание

Дисковый поворотный затвор является арматурой общего назначения, используется в различных отраслях в качестве запорного или регулирующего устройства.

Область применения

Дисковые поворотные затворы в основном применяются в системах холодного и горячего водоснабжения, а также в системах отопления, вентиляции и кондиционирования. Седловое уплотнение и диск затвора устойчивы к теплоносителям на базе гликолевых и спиртовых антифризов, а также устойчивы к щелочным и нейтральным средам (воздух, азот и т.п.).

Технические характеристики

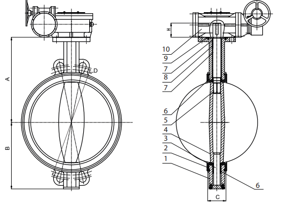
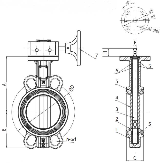
Габаритные и присоединительные размеры

Материалы конструкции DN 40-350
Материалы конструкции DN 400-800

Диаграмма зависимости «Температура-Давление»

ВНИМАНИЕ, ВАЖНАЯ ИНФОРМАЦИЯ!

Монтаж поворотных затворов следует производить только между фланцами воротниковыми (ГОСТ 12821-80).
  1. Использование фланцев с внутренним диаметром меньше номинального диаметра заслонки может привести к блокировке диска, что в свою очередь вызовет серьезное повреждение диска поворотного затвора (рис. 1).
  2. В случае использования фланцев с внутренним диаметром больше номинального диаметра затвора фланцы не будут полностью закрывать седловое уплотнение, что может привести к повреждению и деформации седлового уплотнения (рис. 2).
  3. Перед началом монтажа важно убедиться, что внутренний диаметр фланцев соответствует номинальному диаметру дискового поворотного затвора (рис. 3).

Положение на трубопроводе и процесс установки
  1. Фланцы должны располагаться плоскопараллельно по отношению друг другу на расстоянии, обеспечивающем свободное (без лишних усилий) размещение между ними затвора.
  2. 2. При установке дисковых поворотных затворов прокладки не используются.
  3. Для уменьшения износа седлового уплотнения и в целом увеличения срока службы поворотный затвор рекомендуется устанавливать в горизонтальном положении штока (±30°), особенно при применении затворов в средах, содержащих абразивные частицы.
  4. Перед установкой необходимо произвести осмотр уплотнительных поверхностей фланцев. На них не должно быть забоин, раковин, заусенцев, а также других дефектов поверхностей.
  5. Перед началом монтажа диск поворотного затвора необходимо немного приоткрыть, но так, чтобы диск не выходил за корпус дискового поворотного затвора (рис. 4).
  6. Отцентрируйте поворотный затвор и слег- ка закрутите болты (шпильки), но не затягивайте их. Откройте диск поворотного затвора до положения «полностью открыто» (рис. 5).
  7. Затяните болты (шпильки) так, чтобы фланцы и корпус (металлическая часть) затвора соприкасались. Затяжка болтов на межфланцевых соединениях должна быть равномерной по всему пери- метру. Медленно закройте и откройте дисковый поворотный затвор. Если установка затвора была проведена правильно, затвор должен свободно открываться и закрываться (рис. 6).
Made on
Tilda