Задвижка чугунная с обрезиненным клином REON тип RSV03, PN 10

38750,00
руб. с НДС

Тип: RSV03

DN: 50-600

PN: 10

Т раб.: от -10ºС до +95ºС

Т макс.: +120°С (кратковременно)

Описание
Документация

Описание

Описание

Задвижка чугунная является арматурой общего назначения, используется в различных отраслях в качестве запорного устройства.

Область применения

Задвижки с обрезиненным клином применяются в системах холодного и горячего водоснабжения, а также конструкция задвижки позволяет использовать ее в системах канализации.

Технические характеристики

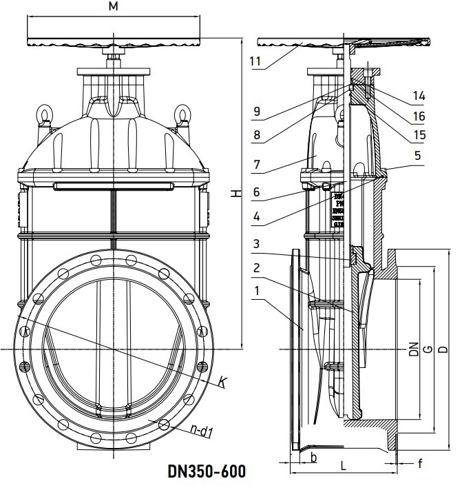
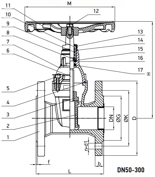
Габаритные и присоединительные размеры

Материалы конструкции

Диаграмма зависимости «Температура-Давление»

Kv (м3/ч) задвижки чугунной

Условия монтажа

При установке задвижки «насухую» в трубопроводе сила трения резины о металл не позволяет ее полностью закрыть при помощи разумных усилий вручную. Следует смочить поверхности трения, если вам необходимо закрыть задвижку насухую.
Перед монтажом необходимо:
  • очистить (продуть) трубопроводы от грязи, песка, окалины;
  • произвести расконсервацию, снять заглушки с проходных отверстий, удалить антикоррозионную смазку из магистральных проходов. Для удобства обслуживания и осмотра рекомендуется устанавливать задвижки в следующих рабочих положениях:
  1. вертикальном (при положении маховика сверху);
  2. горизонтальном (при положении маховика с отклонением от вертикали не более 90°С).


Условия эксплуатации


  • Задвижки должны использоваться строго по назначению в соответствии с рабочими параметрами, указанными в технической документации.
  • В процессе эксплуатации, пусконаладочных и ремонтных работ задвижки не допускается использовать в качестве регулирующего устройства.
  • Для своевременного выявления и устранения неисправностей необходимо периодически подвергать задвижку осмотру и проверке. Осмотр производится в соответствии с правилами и нормами, принятыми на предприятии, эксплуатирующем задвижки.
  • По мере необходимости рекомендуется:
  1. производить подтяжку втулки сальника;
  2. восстанавливать нарушенное лакокрасочное защитное покрытие.
  • Все детали задвижек взаимозаменяемые. Переворачивать клин уплотнительными поверхностями не рекомендуется во избежание потери герметичности.
  • Затвор задвижки при эксплуатации необходимо поднимать полностью до верхнего упора и плотно закрывать вручную.

Условия транспортировки и хранения


  • Хранение и транспортировка должна осуществляться без ударных нагрузок при температуре: -40…+65 °С.
  • Условия транспортировки и хранения по группе Ж1 ГОСТ 15150-69.
  • Задвижки транспортируются в таре по ГОСТ 2991-85 и раскрепляются от возможных перемещений с опущенным до упора клином.
  • Допускается транспортировка без упаковки, при этом рекомендуется маховик снимать во избежание поломки.
  • При подъеме, погрузке и разгрузке задвижка должна находиться в горизонтальном положении во избежание повреждений.

Гарантийные обязательства

Гарантийный срок при соблюдении потребителем правил транспортировки, хранения, монтажа и эксплуатации устанавливается 12 месяцев с момента ввода в эксплуатацию, но не более 18 месяцев с момента продажи. Все вопросы, связанные с гарантийными обязательствами, обеспечивает предприятие-продавец.
Made on
Tilda