Вертикальные многоступенчатые насосы CV 15

60925,00
руб. с НДС
Серия: CV
Материал корпуса: Чугун ASTM 25B
Область применения: Водоснабжение/повышение давления

Серия: CV

Описание
Документация

Описание

Насосы CV представляют собой вертикальные многоступенчатые центробежные насосы с нормальным всасыванием со стандартным электродвигателем.
Насос состоит из основания и головной части. Промежуточные камеры и цилиндрический кожух соединены между собой, а также с основанием и головной частью при помощи стяжных болтов. Всасывающий и напорный патрубки находятся в основании насоса и расположены соосно (конструкция «ин-лайн»), что позволяет устанавливать насос на горизонтальном трубопроводе. Все насосы оснащаются необслуживаемым торцевым механическим уплотнением вала картриджевого типа.
Области применения

Водоснабжение

  • Фильтрация и перекачивание воды для станций водоснабжения
  • Распределение воды из гидроузла
  • Повышение давления в магистральных трубопроводах
  • Повышение давления в высотных зданиях, гостиничных комплексах и т. п.
  • Повышение давления в промышленных установках

Промышленность

Повышение давления:
  • в системах водоснабжения для технологических целей
  • в моечных установках и системах очистки
  • на автомойках
  • в системах пожаротушения

Перекачивание жидкости:
  • в системах охлаждения и кондиционирования воздуха
  • в системах питания котлов и удаления конденсата
  • в системах охлаждения металлорежущих станков (подача смазочно-охлаждающей жидкости)
  • в рыбоводстве
Перекачивание:
  • растворов масел и спиртов
  • гликолей и охлаждающих жидкостей

Водоочистка плавательных бассейнов

Ирригация

  • Гидромелиорация полей (орошение)
  • Дождевальные установки
  • Капельное орошение

Диаграмма характеристик

Таблица характеристик

Конструкция и материалы

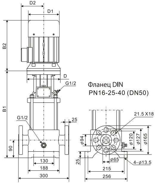
Габаритный чертеж

Размеры и масса

Made on
Tilda