Вентиль запорный фланцевый с сильфонным уплотнением REON тип RSV17

8026,00
руб. с НДС

Тип: RSV17

DN: 15-300

PN: 16

Т макс.: +300°С

Описание

Описание

Описание

Вентиль запорный фланцевый с сильфонным уплотнением является арматурой общего назначения, используется в различных отраслях в качестве запорного устройства. Уплотнением по штоку является сильфон из нержавеющей стали. Данный тип вентиля в процессе работы не требует сервисного обслуживания, т.к. в нем используется сильфонное уплотнение.

Область применения

Вентиль запорный фланцевый с сильфонным уплотнением применяется в системах холодного и горячего водоснабжения, пар, нейтральные среды, на слабых кислотах и щелочах.

Технические характеристики

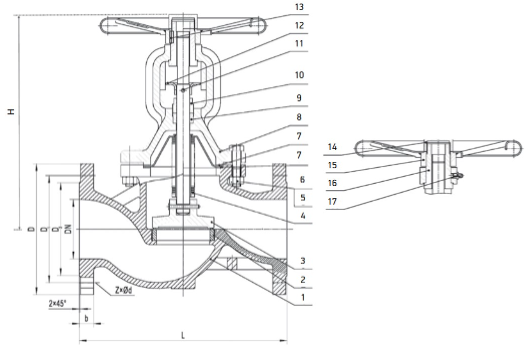
Габаритные и присоединительные размеры

Материалы конструкции

Диаграмма зависимости «Температура-Давление»

Условия монтажа

  • Перед монтажом необходимо произвести осмотр, очистить (продуть) трубопроводы от грязи, песка, окалины, снять заглушки с проходных отверстий.
  • Затяжку крепежных элементов необходимо осуществлять равномерно. После запуска системы убедитесь в отсутствии протечек в местах присоединения.
  • Для удобства обслуживания и осмотра рекомендуется устанавливать вентиля в следующих рабочих приложениях:
  1. вертикальном (при положении маховика сверху);
  2. горизонтальном (при положении маховика с отклонением от вертикали не более 90°).

Условия эксплуатации

  • Вентили должны использоваться строго по назначению в соответствии с рабочими параметрами, указанными в технической документации.
  • Для своевременного выявления и устранения неисправностей необходимо периодически подвергать вентиль осмотру и проверке.
  • Вентиль с сильфонным уплотнением в процессе работы не требует сервисного обслуживания, т.к. в нем используется сильфонное уплотнение.
  • Данные вентили должны использоваться только для открытия или закрытия потока среды и не предназначены для регулирования.

Условия транспортировки и хранения

  • Хранение и транспортировка должна осуществляться без ударных нагрузок при температуре: -40…+65°С.
  • Не допускается попадание посторонних предметов внутрь или падение изделия.
  • Изделие должно храниться в незагрязненном помещении и быть защищено от воздействия атмосферных осадков.
  • При транспортировке корпус изделия должен быть защищен от повреждений.
Made on
Tilda