Обратный клапан шаровой фланцевый чугунный REON тип RSV34

Тип: RSV34

DN: 40-600

PN: 16

Т раб.: От -10°С до +70°С

Т макс.: +80°С

Описание
Документация

Описание

Описание

Обратный клапан шаровой используется для защиты трубопровода от обратного потока рабочей среды.

Область применения

Обратный клапан шаровой применяется в системах горячего и холодного водоснабжения и канализации, в том числе и ливневой.

Технические характеристики

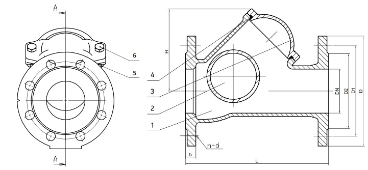
Габаритные и присоединительные размеры

Материалы конструкции

Диаграмма перепада давления на чистой воде при условии горизонтальной установки

Условия монтажа

  • Не допускается использовать клапаны обратные на рабочие параметры, отличные от указанных в технической документации.
  • Перед началом эксплуатации трубопровод необходимо продуть для удаления окалины и грязи.
  • Соосность трубопровода и расстояние между фланцами должны быть в пределах 3-5 мм от идеальных, чтобы в процессе монтажа на клапан не приходилась чрезмерная механическая нагрузка.
  • Клапан устанавливается на трубопровод так, чтобы стрелка на его корпусе совпадала с направлением движения среды, и, для обеспечения равномерного износа при эксплуатации, не ближе 3-5 диаметров после поворота трубы.
  • Клапан может устанавливаться на горизонтальном или вертикальном (при условии движения воды снизу вверх) участках трубопровода.
  • Требуется обеспечить достаточное пространство вокруг обратного клапана для будущих работ по техническому обслуживанию.
  • Поток среды должен быть направлен по стрелке на корпусе клапана.
  • Перед монтажом необходимо тщательно очистить уплотнительные поверхности обратного клапана и присоединительных фланцев.
  • Затяжку крепежных болтов необходимо осуществлять равномерно.
  • После запуска системы убедитесь в отсутствии протечек в местах присоединения.
  • Не забудьте проверить на наличие утечек после не- скольких часов работы.

Условия эксплуатации

  • Клапаны обратные REON не требуют постоянного ухода.
  • Периодически осматривайте клапан на предмет протечки среды.
  • Проверку клапана можно провести при замене трубопроводов.

Внимание!

  • Не прикасайтесь к работающему изделию в связи с тем, что возможен нагрев поверхностей.
  • Перед началом технического обслуживания или демонтажем убедитесь, что изделие не находится под давлением и не имеет высокую температуру.
  • Не удаляйте с изделия шильдик с маркировкой.
  • Проверять обратные клапаны необходимо регулярно, особенно работающие не постоянно, на наличие утечек через уплотнения.

Условия транспортировки и хранения

  • Хранение и транспортировка должна осуществляться без ударных нагрузок при температуре -40…+65 °С.
  • Не допускается попадание посторонних предметов внутрь или падений изделия.
  • Проверку клапана можно провести при замене трубопроводов.
  • Изделие должно храниться в незагрязненном помещении и быть защищено от воздействия атмосферных осадков.
  • При транспортировке корпус изделия должен быть защищен от повреждений.
Made on
Tilda