Фильтр сетчатый чугунный REON тип RSV05 с магнитной вставкой

2445,00
руб. с НДС

Тип: RSV07

DN: 15-400

PN: 16

Т макс.: +300°С

Описание
Документация

Описание

Описание


Фильтр сетчатый чугунный с магнитной вставкой предназначен для механической очистки рабочей среды от твердых частиц, а магнитная вставка улавливает намагниченные частицы.

Область применения


Фильтр сетчатый чугунный применяется в системах холодного и горячего водоснабжения, отопления, пара и нейтральных сред.

Технические характеристики

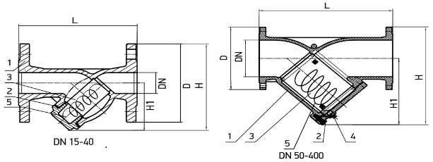
Габаритные и присоединительные размеры

Материалы конструкции

* имеется на фильтрах DN 50-400

Диаграмма перепада давления

Диаграмма зависимости «Температура-Давление»

Условия монтажа

  • Фильтр сетчатый на горизонтальном трубопроводе устанавливается в горизонтальном положении крышкой вниз. Установка в вертикальном положении возможна только при направлении потока сверху вниз.
  • Направление потока среды должно совпадать со стрелкой на корпусе фильтра.
  • Затяжку крепежных болтов необходимо осуществлять равномерно.

Условия эксплуатации

  • Для быстрой очистки фильтра сетчатого от накопившихся загрязнений можно использовать сливную пробку, расположенную на крышке фильтра.
  • Для удобства обслуживания фильтра без отключения системы вместо пробки возможна установка сливного крана. В случае отсутствия такого крана, пробку можно открывать только при отключенной системе.
  • В зависимости от качества рабочей среды и требований к условиям эксплуатации защищаемого оборудования, фильтр должен подвергаться сервисному обслуживанию, как правило, не реже одного раза в год.
  • Для полной очистки фильтра необходимо снять крышку и извлечь сетку. Затем сетку необходимо промыть под струей воды для удаления посторонних частиц. При последующей установке крышки рекомендуется использовать новую прокладку.

Условия транспортировки и хранения

  • Хранение и транспортировка должна осуществляться без ударных нагрузок при температуре: -40…+65°С.
  • Не допускается попадание посторонних предметов внутрь или падение фильтра.
  • Изделие должно храниться в незагрязненном помещении и быть защищено от воздействия атмосферных осадков.
  • При транспортировке корпус фильтра REON должен быть защищен от повреждений.

Внимание!

  • Не прикасайтесь к работающему изделию в связи с тем, что возможен нагрев поверхностей.
  • Перед началом технического обслуживания или демонтажем убедитесь, что изделие не находится под давлением и не имеет высокую температуру.
Made on
Tilda